Physics
Full Marks: 60 + 20 + 20
Pass Marks: 24 + 8 + 8
Time: 3 Hours
Candidates are required to give their answers in their own words as far as practicable. The figures in the margin indicate full marks.
Attempt any TWO questions
Design electrical conductivity of semiconductors. Derive expression for conductivity in terms of impurity ionization energy. Give a plot to discuss “Theoretical temperature dependence of the electrical conductivity of an impurity semiconductor”.
Describe processes involved in the fabrication of integrated circuits include epitaxial growth, oxidation, oxide removal and pattern definition, doping (impurities in the Si), and interconnection of components.
Find expression for force on a current-carrying wire in a magnetic field to find the force experienced by a single charge.
Attempts any EIGHT Questions
Give spectrum of Hydrogen atom and discuss its lines.
Describe a brief account of Kronig-Penny model.
Describe the term “space quantization”.
A given spring stretches $0.1m$ when a force of $20N$ pulls on it. A $2-kg$ block attached to it on a frictionless surface is pulled to the right $0.2m$ and released.
a. What is the frequency of oscillation of the block? b. What are the velocity and acceleration when $x = 0.12m$, on the block’s first passing this point?
A proton is moving with a velocity $v = (3 \times 10^5 i + 7 \times 10^5 k) m/sec$ in a region where there is a magnetic field $B = 0.4j$ T. Find the force experienced by the proton.
A neutron spectroscopy a beam of mono energetic neutrons is obtained by reflecting reactor neutrons from a beryllium crystal. If separation between the atomic planes of the beryllium crystal is $0.732 A°$, what is the angle between the incident neutron beam and the atomic planes that will yield a monochromatic beam of neutrons of wavelength $0.1 A°$.
a. How many atomic states are there in hydrogen with $n=3$? b. How are they distributed among the subshells? Label each state with the appropriates set of quantum numbers $n$, $l$, $m$ c. Show that the number of states in a shell, that is states having the same $n$, is given by $2n^2$.
The density of aluminum is $2.70 g/cm^3$ and its molecular weight is $26.98 g/mole$.
a. Calculate the Fermi energy b. If the experimental value of $E_F$ is $12 eV$, What is the electron effective mass in aluminum? Aluminum is trivalent.
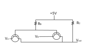
Analyze the circuit in the figure below. Determine the logic function performed by the circuit by making and justifying the appropriate truth table

This page was printed from BSc CSIT Nepal (https://bsccsitnepal.com)